服务咨询热线

400-851-9987

贵州电线电缆厂

资质荣誉

产品分类

联系我们

天博在线

联系人:曾先生

手机:138-8513-8811

座机:400-851-9987

网址:www.dataakreditasi.com

地址:贵阳市白云区麦架镇新材料产业园 


>>返回首页

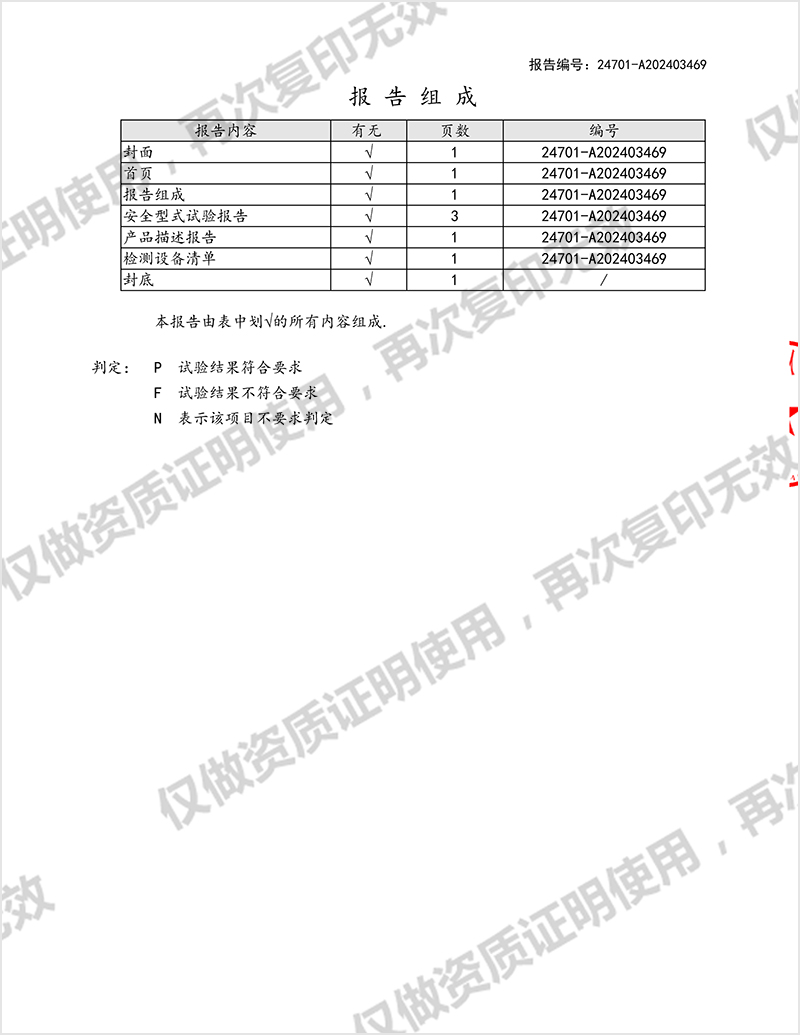
您的当前位置: 首 页 >> 资质荣誉 >> 检测报告

聚氯乙烯绝缘无护套电线电缆

BVR


聚氯乙烯绝缘无护套电线电缆  BVR   聚氯乙烯绝缘无护套电线电缆  BVR


聚氯乙烯绝缘无护套电线电缆  BVR   聚氯乙烯绝缘无护套电线电缆  BVR


聚氯乙烯绝缘无护套电线电缆  BVR   聚氯乙烯绝缘无护套电线电缆  BVR


聚氯乙烯绝缘无护套电线电缆  BVR   聚氯乙烯绝缘无护套电线电缆  BVR



聚氯乙烯绝缘聚氯乙烯护套电缆

BLVVB


聚氯乙烯绝缘聚氯乙烯护套电缆  BLVVB   聚氯乙烯绝缘聚氯乙烯护套电缆  BLVVB


聚氯乙烯绝缘聚氯乙烯护套电缆  BLVVB   聚氯乙烯绝缘聚氯乙烯护套电缆  BLVVB


聚氯乙烯绝缘聚氯乙烯护套电缆  BLVVB   聚氯乙烯绝缘聚氯乙烯护套电缆  BLVVB


聚氯乙烯绝缘聚氯乙烯护套电缆  BLVVB   聚氯乙烯绝缘聚氯乙烯护套电缆  BLVVB


聚氯乙烯绝缘聚氯乙烯护套电缆  BLVVB   聚氯乙烯绝缘聚氯乙烯护套电缆  BLVVB


400-851-9987

联系人:曾先生

手机:138-8513-8811

座机:400-851-9987

网址:www.dataakreditasi.com  

地址:贵阳市白云区麦架镇新材料产业园

免责声明:本站内容由互联网收集整理,版权归原创作者所有,如有侵权请联系我们处理删除内容,谢谢!

httpwww.dataakreditasi.com - 副本.png

扫一扫进入手机站

  • 在线客服
  • 联系电话
    13885138811
  • 在线留言
  • 手机网站
  • 在线咨询